The design of the UCPA series ball Bearing unit also has a certain degree of self-aligning, easy to install, with double structure sealing device, which can work in harsh environment. UCPA bearing block is generally cast. Other common types of bearing housing are UCP, UCF, UCFS, UCFC, UCFL, UCT etc.
The shape of UCPA pillow block is close to that of UCP bearing with housing. The two bearing units are installed with the same pillow block bearing. The block of UCPA is shorter than that of UCP, which is mainly used in places with limited installation space.
UCPA bearing pillow block we can provide cast iron material, with bearing steel material pillow block bearing, mainly used for general mechanical equipment, agricultural machinery, etc
It can also produce stainless steel pillow block and plastic bearing block, which are mainly matched with stainless steel outer spherical bearing, with the characteristics of waterproof, antirust and corrosion resistance, mainly used in food processing and chemical equipment, etc.

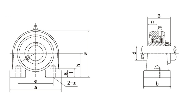
Unit NO.
Dimensions(mm/in.)
Bolt Size mm/in.
Bearing NO.
Housing NO.
Weight
(kg)
d
h
a
e
b
s
g
l
w
B
n
UCPA201
12
30.2
76
52
40
M10
11
15
62
31
12.7
M10
UC201
PA201
0.63
UCPA 201-8
1/2
1-3/16
3
2-3/64
1-9/16
M10
7/16
19/32
2-7/16
1.2205
0.5
M10
UC201-8
PA201
0.62
UCPA202
15
1-3/16
3
2-3/64
1-9/16
M10
7/16
19/32
2-7/16
1.2205
0.5
M10
UC202
PA202
0.62
UCPA 202-9
9/16
1-3/16
3
2-3/64
1-9/16
M10
7/16
19/32
2-7/16
1.2205
0.5
M10
UC202-9
PA202
0.62
UCPA 202-10
5/8
1-3/16
3
2-3/64
1-9/16
M10
7/16
19/32
2-7/16
1.2205
0.5
M10
UC202-10
PA202
0.62
UCPA203
17
1-3/16
3
2-3/64
1-9/16
M10
7/16
19/32
2-7/16
1.2205
0.5
M10
UC203
PA203
0.61
UCPA 203-11
11/16
1-3/16
3
2-3/64
1-9/16
M10
7/16
19/32
2-7/16
1.2205
0.5
M10
UC203-11
PA203
0.6
UCPA204
20
1-3/16
3
2-3/64
1-9/16
M10
7/16
19/32
2-7/16
1.2205
0.5
M10
UC204
PA204
0.589
UCPA 204-12
3/4
1-3/16
3
2-3/64
1-9/16
M10
7/16
19/32
2-7/16
1.2205
0.5
M10
UC204-12
PA204
0.589
UCPA205
25
36.5
84
56
38
M10
12
15
72
34.1
14.3
M10
UC205
PA205
0.756
UCPA 205-13
13/16
1-7/16
3-5/16
2-13/64
1-1/2
M10
15/32
19/32
2-53/64
1.3425
0.563
M10
UC205-13
PA205
0.793
UCPA 205-14
7/8
1-7/16
3-5/16
2-13/64
1-1/2
M10
15/32
19/32
2-53/64
1.3425
0.563
M10
UC205-14
PA205
0.783
UCPA 205-15
15/16
1-7/16
3-5/16
2-13/64
1-1/2
M10
15/32
19/32
2-53/64
1.3425
0.563
M10
UC205-15
PA205
0.763
UCPA 205-16
1
1-7/16
3-5/16
2-13/64
1-1/2
M10
15/32
19/32
2-53/64
1.3425
0.563
M10
UC205-16
PA205
0.753
UCPA206
30
42.9
94
66
50
M14
12
18
84
38.1
15.9
M14
UC206
PA206
1.116
UCPA 206-17
1-1/16
1-11/16
3-45/64
2-19/32
1-31/32
M14
15/32
45/64
3-5/16
1.5
0.626
M14
UC206-17
PA206
1.126
UCPA 206-18
1-1/8
1-11/16
3-45/64
2-19/32
1-31/32
M14
15/32
45/64
3-5/16
1.5
0.626
M14
UC206-18
PA206
1.136
UCPA 206-19
1-3/16
1-11/16
3-45/64
2-19/32
1-31/32
M14
15/32
45/64
3-5/16
1.5
0.626
M14
UC206-19
PA206
1.116
UCPA 206-20
1-1/4
1-11/16
3-45/64
2-19/32
1-31/32
M14
15/32
45/64
3-5/16
1.5
0.626
M14
UC206-20
PA206
1.106
UCPA207
35
47.6
110
80
55
M14
13
20
95
42.9
17.5
M14
UC207
PA207
1.546
Unit NO.
Dimensions(mm/in.)
Bolt Size mm/in.
Bearing NO.
Housing NO.
Weight
(kg)
d
h
a
e
b
s
g
l
w
B
n
UCPA 207-20
1-1/4
1-7/8
4-21/64
3-5/32
2-11/64
M14
33/64
25/32
3-47/64
1.689
0.689
M14
UC207-20
PA207
1.611
UCPA 207-21
1-5/16
1-7/8
4-21/64
3-5/32
2-11/64
M14
33/64
25/32
3-47/64
1.689
0.689
M14
UC207-21
PA207
1.581
UCPA 207-22
1-3/8
1-7/8
4-21/64
3-5/32
2-11/64
M14
33/64
25/32
3-47/64
1.689
0.689
M14
UC207-22
PA207
1.551
UCPA 207-23
1-7/16
1-7/8
4-21/64
3-5/32
2-11/64
M14
33/64
25/32
3-47/64
1.689
0.689
M14
UC207-23
PA207
1.521
UCPA208
40
49.2
116
84
58
M14
13
20
100
49.2
19
M14
UC208
PA208
1.798
UCPA 208-24
1-1/2
1-15/16
4-9/16
3-5/16
2-9/32
M14
33/64
25/32
3-15/16
1.937
0.748
M14
UC208-24
PA208
1.838
UCPA 208-25
1-9/16
1-15/16
4-9/16
3-5/16
2-9/32
M14
33/64
25/32
3-15/16
1.937
0.748
M14
UC208-25
PA208
1.808
UCPA209
45
54.2
120
90
60
M14
13
25
108
49.2
19
M14
UC209
PA209
2.053
UCPA 209-26
1-5/8
2-9/64
4-23/32
3-35/64
2-23/64
M14
33/64
63/64
4-1/4
1.937
0.748
M14
UC209-26
PA209
2.153
UCPA 209-27
1-11/16
2-9/64
4-23/32
3-35/64
2-23/64
M14
33/64
63/64
4-1/4
1.937
0.748
M14
UC209-27
PA209
2.113
UCPA 209-28
1-3/4
2-9/64
4-23/32
3-35/64
2-23/64
M14
33/64
63/64
4-1/4
1.937
0.748
M14
UC209-28
PA209
2.073
UCPA210
50
57.2
130
94
64
M16
14
25
116
51.6
19
M16
UC210
PA210
2.556
UCPA 210-29
1-13/16
2-1/4
5-1/8
3-45/64
2-33/64
M16
35/64
63/64
4-9/16
2.0315
0.748
M16
UC210-29
PA210
2.676
UCPA 210-30
1-7/8
2-1/4
5-1/8
3-45/64
2-33/64
M16
35/64
63/64
4-9/16
2.0315
0.748
M16
UC210-30
PA210
2.626
UCPA 210-31
1-15/16
2-1/4
5-1/8
3-45/64
2-33/64
M16
35/64
63/64
4-9/16
2.0315
0.748
M16
UC210-31
PA210
2.576
UCPA 210-32
2
2-1/4
5-1/8
3-45/64
2-33/64
M16
35/64
63/64
4-9/16
2.0315
0.748
M16
UC210-32
PA210
2.536
UCPA211
55
63.5
140
104
66
M16
14
25
125
55.6
22.2
M16
UC211
PA211
3.138
UCPA 211-32
2
2-1/2
5-33/64
4-3/32
2-19/32
M16
35/64
63/64
4-59/64
2.189
0.874
M16
UC211-32
PA211
3.288
UCPA 211-33
2-1/16
2-1/2
5-33/64
4-3/32
2-19/32
M16
35/64
63/64
4-59/64
2.189
0.874
M16
UC211-33
PA211
3.228
UCPA 211-34
2-1/8
2-1/2
5-33/64
4-3/32
2-19/32
M16
35/64
63/64
4-59/64
2.189
0.874
M16
UC211-34
PA211
3.188
Unit NO.
Dimensions(mm/in.)
Bolt Size mm/in.
Bearing NO.
Housing NO.
Weight(kg)
d
h
a
e
b
s
g
l
w
B
n
UCPA 211-35
2-3/16
2-1/2
5-33/64
4-3/32
2-19/32
M16
35/64
63/64
4-59/64
2.189
0.874
M16
UC211-35
PA211
3.118
UCPA212
60
69.9
150
114
68
M16
15
25
138
65.1
25.4
M16
UC212
PA212
4.12
UCPA 212-36
2-1/4
2-3/4
5-29/32
4-31/64
2-43/64
M16
19/32
63/64
5-7/16
2.563
1
M16
UC212-36
PA212
4.25
UCPA 212-37
2-5/16
2-3/4
5-29/32
4-31/64
2-43/64
M16
19/32
63/64
5-7/16
2.563
1
M16
UC212-37
PA212
4.17
UCPA 212-38
2-3/8
2-3/4
5-29/32
4-31/64
2-43/64
M16
19/32
63/64
5-7/16
2.563
1
M16
UC212-38
PA212
4.1
UCPA 212-39
2-7/16
2-3/4
5-29/32
4-31/64
2-43/64
M16
19/32
63/64
5-7/16
2.563
1
M16
UC212-39
PA212
4.03
UCPA213
65
76.2
160
124
70
M16
15
25
150
65.1
25.4
M16
UC213
PA213
4.915
UCPA 213-40
2-1/2
3
6-19/64
4-7/8
2-3/4
M16
19/32
63/64
5-29/32
2.563
1
M16
UC213-40
PA213
5.005
UCPA 213-41
2-9/16
3
6-19/64
4-7/8
2-3/4
M16
19/32
63/64
5-29/32
2.563
1
M16
UC213-41
PA213
4.915
Request for Quotation